本文
東部地域産業振興センター(仮称)の設計概要について
県では、県東部地域における産業振興の拠点施設の整備に向け、「東部地域産業振興センター(仮称)整備基本計画」(令和5年3月策定)に基づき、整備を進めています。
この度、本センターの設計を取りまとめましたので、概要をお知らせします。
引き続き、令和10年度前半の供用開始を目指し、計画的に整備を進めます。
1 施設の概要
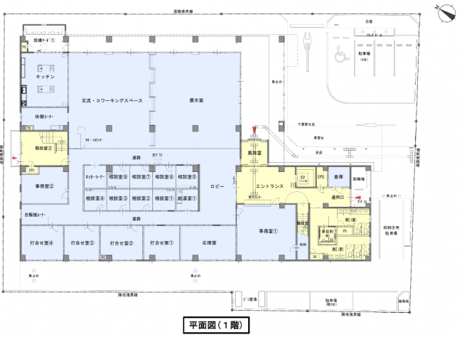
(1)インキュベーション・オープンイノベーション機能、(2)DX支援機能、(3)県産業支援機関のブランチ機能、の3つの中核機能を有する産業支援拠点
【整備場所】岩国市今津町(旧岩国商工会議所)
※事業者等への支援をより効果的に行うため、岩国商工会議所との合築により整備
【面積・構造】建築面積:1,218平方メートル 敷地面積:2,894平方メートル
屋外整備:1,927平方メートル
延床面積:2,967平方メートル(うち1階~3階2,894平方メートル)
※1・2階:本センター 1,983平方メートル、3階:岩国商工会議所 911平方メートル
構 造:鉄筋コンクリート造 地上3階
【規模・機能】
| 区分 | 内容 |
|---|---|
| 企業入居スペース |
○インキュベーション室(創業者用入居室) 9室 ○シェアオフィス(共用型の1人用執務室) |
|
人材育成・交流スペース |
○交流スペース・コワーキングスペース ○会議室 3室 |
| 情報発信スペース | ○展示室 |
| 研究・開発スペース |
○試験・計測支援室 ○工作室 |
| 相談スペース | ○相談室(対面・オンライン) |
| ブランチスペース | ○支援機関(やまぐち産業振興財団・山口県産業技術センター)執務室 |
| その他諸室等 |
○事務室、倉庫、収納等 ○駐車場 39台程度 |
2 平面図(1階、2階の県所有部分)


3 外観・内観イメージ


4 整備スケジュール(予定)

※ 令和8年(2026年)3月時点

